

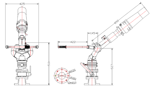
O caminhão de bombeiros Howo TX 4x2 com capacidade para 7,5 metros cúbicos de espuma utiliza o chassi Howo TX com distância entre eixos de 4700 mm. É equipado com um motor Weichai WP4.6NQ240E62 e uma caixa de câmbio Sinotruk HW95508STCL. A parte frontal da superestrutura abriga um compartimento para armazenamento de equipamentos auxiliares de combate a incêndio. A seção central contém um tanque de água de aço carbono com capacidade para 5,5 metros cúbicos e um tanque de espuma de aço inoxidável com capacidade para 2 metros cúbicos. A casa de bombas traseira está equipada com uma bomba de incêndio CB10/40-LC(BS), painel de controle, equipamentos de combate a incêndio, canhão monitor PL8/32 no topo do tanque e duas bocas de visita padrão europeu.
Chassi de caminhão:
HOWO TX, 4x2Capacidade de Trabalho:
5500L water +2000L foamPotência do motor:
240 HP/ WP4.6NQ240E62Bomba de Incêndio:
China CB10/40-LC(BS)Fluxo da bomba:
40L/sPressão no trabalho:
1.0 MpaMonitor de Incêndio:
China PL8/32Monitorar fluxo:
32 L/sGama de monitores:
Water≥60 m,Foam≥48mO Veículo de proteção contra incêndio Howo Modelo 6 rodas É um caminhão de combate a incêndios de porte médio totalmente funcional, que integra alta mobilidade, amplas reservas de agente extintor e diversas capacidades de combate. Em termos de potência, possui um motor Weichai acoplado a uma transmissão Sinotruk, proporcionando grande potência e transmissão eficiente.
A superestrutura foi projetada cientificamente, com um compartimento frontal para armazenamento organizado de diversos equipamentos de combate a incêndio; o reservatório central de água e o reservatório de espuma possuem capacidades de armazenamento adequadas para diferentes situações de incêndio; e a casa de bombas traseira está totalmente equipada com os equipamentos essenciais para facilitar a operação. O monitor de incêndio no topo do reservatório permite o combate remoto e preciso do fogo, respondendo eficazmente a diversos incêndios de Classe A e Classe B.
» I. Principais características:
★ Motor potente de 240 cv, 100.000 km sem problemas.
★ Cabine HOWO modelo TX, design europeu
★ Eixo com tecnologia Man, extremamente adequado para a África.
» Ⅱ. Parâmetros do produto:
|
Caminhão de bombeiros com água e espuma HOWO TX 4x2 |
|||
|
Em geral |
Capacidade de trabalho |
Tanque de água de 5500L, tanque de espuma de 2000L |
|
|
chassi de caminhão |
HOWO TX240 |
||
|
Potência do motor |
240 HP / WP4.6NQ240E62 |
||
|
Bomba de incêndio |
CB10/40-LC(BS) |
||
|
Chassis |
Tipo de acionamento |
4X2 |
|
|
Transmissão |
SINOTRUK HW95508STCL 8 velocidades, manual |
||
|
Distância entre eixos |
4700mm |
||
|
Pneu |
295/80R22.5 18PR, roda 6+1 |
||
|
Bomba de incêndio |
Modelo |
CB10/40-LC(BS) |
|
|
Pressão |
1MPa |
||
|
Pressão máxima de trabalho |
1,380 MPa |
||
|
Pressão máxima de entrada permitida |
0,4 MPa |
||
|
Fluxo |
40 L/s |
||
|
Altura máxima de sucção |
7m |
||
|
Velocidade nominal |
3300 rpm |
||
|
Relação de velocidade |
1:1,542 |
||
|
Misturador Proporcional de Água Espumante |
Modelo |
PH64-RS |
|
|
Proporção de mistura |
6% |
||
|
Faixa de pressão de trabalho |
0,6 ~ 1,4 MPa |
||
|
Faixa de fluxo |
16 ~ 64 L/s |
||
|
Categorias adequadas de líquidos espumantes |
Categoria B |
||
|
monitor de incêndio |
Modelo |
PL8/32 |
|
|
Fluxo |
32 L/s |
||
|
Pressão de trabalho nominal |
0,8 MPa |
||
|
Faixa |
Água |
≥ 6 0m |
|
|
Espuma |
≥ 48m |
||
|
Rotação de inclinação |
- 45 ~ +70° |
||
|
Rotação horizontal |
0 ~ 360° |
||
|
Alarme eletrônico |
Alarme eletrônico |
LY CJB-100-C24 / 1,2 m de comprimento |
|
|
Configuração padrão |
Todos os acessórios padrão: mangueira de incêndio, filtro, engate rápido, chave inglesa, pistola de água/espuma, kit de ferramentas básico, manual em inglês… |
||
Sistema central de tanques de líquidos :
* Reservatório de água: com volume de 5,5 metros cúbicos, fabricado em aço carbono com tratamento anticorrosivo interno, utilizado para armazenar água para combate a incêndios.
* Tanque de espuma: com volume de 2 metros cúbicos, fabricado em aço inoxidável mais resistente à corrosão, utilizado para armazenar o agente extintor de espuma.
* Capacidade total de líquido: 7,5 metros cúbicos no total (água e solução de espuma), capaz de realizar operações de combate a incêndio com espuma de forma independente ou combinada.
» III. Sistema de bomba de incêndio:
|
Modelo de bomba de incêndio |
Pressão |
Pressão máxima de trabalho |
Fluxo |
Relação de velocidade |
|
CB10/40-LC(BS) |
1,0 MPa |
1,380 MPa |
40 L/s |
1:1,542 |
Painel de controle integrado: O design do painel é intuitivo e integra:
• Guia Ilustrado: Indica claramente os procedimentos de operação do circuito de água, as precauções e o diagrama do princípio de funcionamento da bomba de incêndio.
• Instrumentos de monitoramento: Inclui manômetros, vacuômetros, medidores de nível de espuma, medidores de nível de água, tacômetros, etc., que exibem o status operacional do sistema em tempo real.
• Botões de operação: Interruptores de controle localizados centralmente para o interruptor de alimentação principal, bomba de vácuo, indicador de nível, iluminação da caixa de equipamentos, etc.
» III. Sistema de monitoramento de incêndio:
| Modelo de monitor de incêndio | Fluxo | Faixa | Pressão nominal | Rotação de inclinação | Rotação horizontal | Peso |
| PL8/32 | 32 L/s |
água ≥60m, espuma ≥48m |
0,80 MPa |
-45
°
~+70
°
|
0~360 ° | 23 kg |
» IV . Projeto técnico:
Departamento de P&D da POWERSTAR para design:
Aparência 100% personalizada, capacidade do tanque de água e espuma definida, caixa de armazenamento para ferramentas de combate a incêndio; as dimensões totais do caminhão também podem ser personalizadas. .
» VI Teste pré-embarque:
Antes de entregar o caminhão de bombeiros com espuma HOWO 4X2 7500L, realizamos uma inspeção completa na fábrica, que incluiu testes de chuva, testes de desempenho da bomba de incêndio e do canhão monitor, além de uma inspeção final do processo de soldagem, pintura e outros aspectos.
» VII. Aplicações: